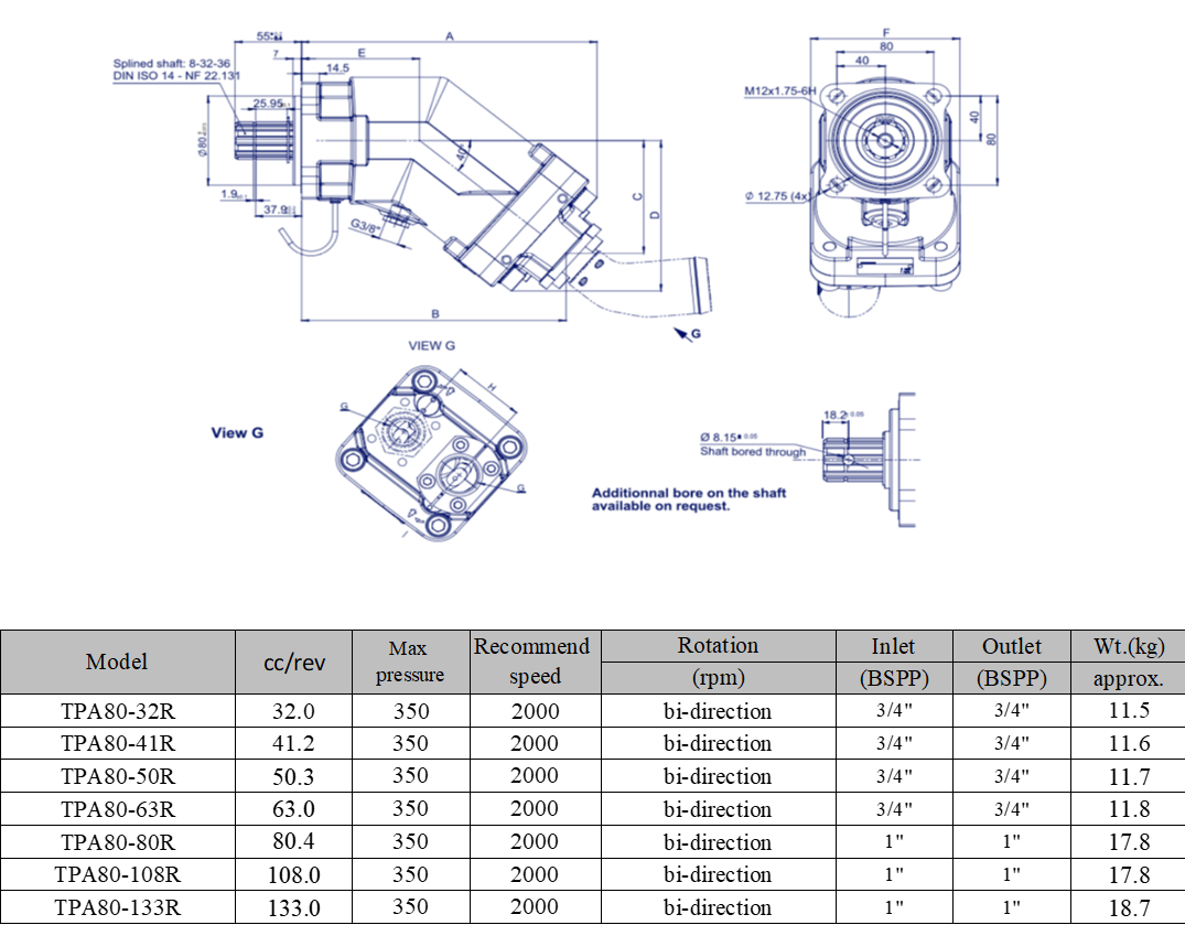
Fixed Displacment : Bent Axis Piston pump รุ่น TPA80 ยี่ห้อ AIVIO จุดเด่นคือสามารถหมุนได้สองทิศทาง (ทั้งซ้ายและขวา) เพียงติดตั้งท่อขาดูดตามทิศทางการหมุน
Displacement : 63cc/rev 85cc/rev 105cc/rev
Max Pressure : 350 bar
รอบการหมุน 1,800 - 2,000 rpm
เพลา 8 ฟัน 32mm.

